即便依靠现有轴流风机排风系统,废气中仍残留高温气体与特色异味两类关键问题:
高温气体处置:汽爆工艺中,高温高压蒸汽渗透槟榔果壳细胞后,瞬时泄压产生的高温气体直接进入排风系统,该气体随工艺参数波动但普遍处于较高的温度约为60~80℃。
异味治理:汽爆工艺处理过程中,槟榔果壳自身含有的木质成分会释放出植物木质味,同时工艺中添加的甜味香精与薄荷添加剂会随瞬时泄压的高温气体挥发,形成混合异味。
目前已有一套风量约12000m³/h废气处理设备,工艺为降压降温+三级喷淋+除雾+活性炭吸附工艺,在生产旺季不能满足处理风量的要求,现需提升改造增加处理风量。
-
-
- 废气成分(部分):
-
中文名 :槟榔碱
外文名 :Arecoline
化学式 :C8H13NO2
分子量 :155.19
沸点 :209–210℃(常压,部分文献标注 210℃分解)
密度 :1.045g/cm³(20℃,液态)
闪点 :93℃(闭杯,参考同类吡啶类生物碱数据)
相对蒸汽密度 (g/m³) :5.35(20℃,相对密度,与空气相比,空气为 1;按分子量 155.19 / 空气平均分子量 29 计算)
溶解性能 :易溶于水、乙醇、氯仿、乙醚,可溶于苯、石油醚,与水混合时能形成均一溶液,水溶液呈弱碱性。
愈创木酚
中文名 :愈创木酚
外文名 :Guaiacol
化学式 :C7H8O2
分子量 :124.14
沸点 :205–207℃(常压,沸点稳定,无明显分解)
密度 :1.112g/cm³(20℃,液态);3.48g/L(25℃,气态)
闪点 :82℃(闭杯,易燃液体,需远离明火)
相对蒸汽密度 (g/m³) :4.28(25℃,相对密度,与空气相比,空气为 1;按分子量 124.14 / 空气平均分子量 29 计算)
自燃点或引燃温度 (℃) :550℃(参考酚类物质共性检测数据)
溶解性能 :易溶于乙醇、乙醚、丙酮、苯等有机溶剂,微溶于水(25℃时溶解度约 2.7g/100mL),可随水蒸气挥发(具有挥发性酚类特性)。
香草醛
中文名 :香草醛
外文名 :Vanillin
化学式 :C8H8O3
分子量 :152.15
沸点 :285℃(常压,加热至 285℃时缓慢升华,高于此温度易分解)
密度 :1.056g/cm³(25℃,固态晶体密度;熔融态密度约 1.03g/cm³,81℃)
闪点 :147℃(闭杯,固态时不易燃,熔融态为可燃液体)
相对蒸汽密度 (g/m³) :5.25(25℃,相对密度,与空气相比,空气为 1;按分子量 152.15 / 空气平均分子量 29 计算)
自燃点或引燃温度 (℃) :421℃(参考芳香醛类物质检测数据)
溶解性能 :易溶于乙醇、乙醚、氯仿、二硫化碳等有机溶剂,溶于热水(80℃时溶解度约 10g/100mL),微溶于冷水(25℃时溶解度约 0.5g/100mL),其水溶液呈弱酸性。
-
-
- 废气源强参数:
-
| 排放口 | 小时风量 | 数量 | 主要成分 |
| 汽爆排风机排气出口DN600 | 12000m³/h | 4个 | 水蒸气、槟榔碱、木质气味、薄荷气味等 |
| 本项目最大风量为48000m³ /h | |||
-
-
- 废气治理目标:
-
| 污染物 | 排气筒高度 | 排放量 |
| 臭气浓度 | 15米 | 2000无量纲 |
- 工艺技术选择
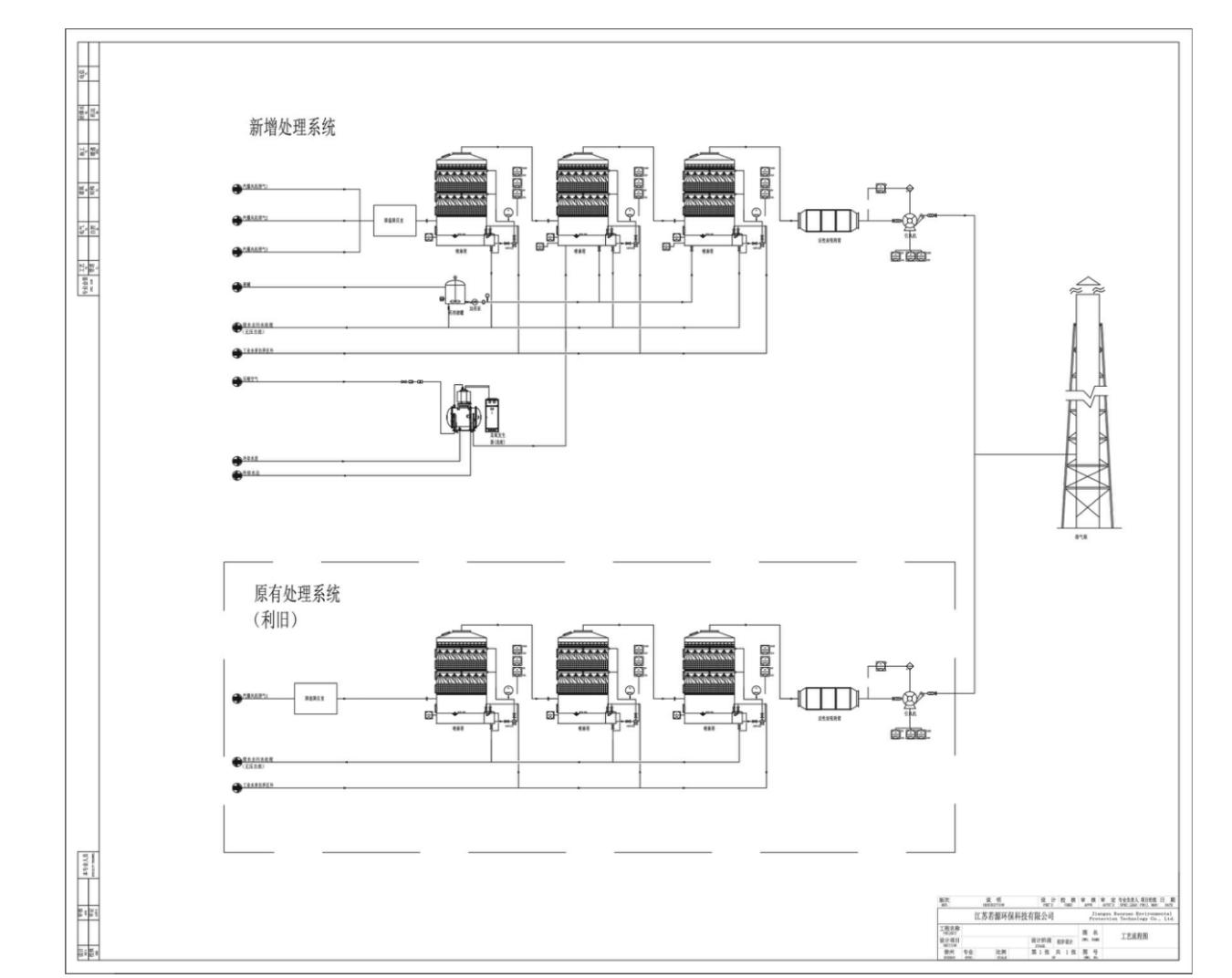
这个工艺流程包含新增处理系统与 原有处理系统(利旧) 两条并行的汽爆机废气处理线,二者均通过 “降温降压→多级喷淋→吸附→输送” 的核心逻辑处理废气,最终合并排入排气筒,细节如下:
一、新增处理系统
废气来源:接收汽爆生产线 1/2/3 排气;
降温降压室:对高温、高压的汽爆废气进行初步降温和减压,使废气参数适配后续处理设备;
第一级喷淋塔:通过喷淋液洗涤废气,去除其中的颗粒物、可溶性无机污染物等;
第二级喷淋塔:基础功能同第一级喷淋塔,同时可选配接入臭氧—— 臭氧可辅助氧化降解废气中的有机污染物、除臭,属于增强型处理模块(非必装);
第三级喷淋塔:进一步洗涤净化废气,同时可选配自动加药装置—— 该装置可根据废气实时参数自动添加针对性药剂(氢氧化钠溶液),去除氧化产生的小分子羧酸及汽爆产生的酚类物质,提升特定污染物的去除效率(非必装);
活性炭吸附箱:利用活性炭的孔隙结构,吸附废气中残留的挥发性有机物、异味物质等难以被喷淋去除的污染物;
风机:为处理后的废气提供输送动力,将其推送至排气筒;
排气筒:最终排放经处理达标的废气。





工业环保方案策划:深度生产流程分析 + 污染特性定位,制定定制化治理策略